Forschung | Öffentlichkeitsarbeit | Lehre | Summer School
Archäologische Feldforschung | Formationsprozesse | Römische und spätantike Architektur | Kleinfundbearbeitung und Material Culture Studies | Landschaftsarchäologie im Umfeld des Municipiums
Römische und spätantike Architektur
Ausgehend von der römischen Stadt Aguntum wird die Architektur im römischen Reich thematisiert. Dabei stehen Wohnbauten und öffentliche Gebäude gleichermaßen im Fokus.
Stadtmauer

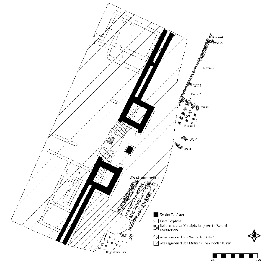
Nach ihrer Entdeckung durch I. Ploner wurden ausgedehnte Untersuchungen an der Stadtmauer unter der Leitung von E. Swoboda und F. Miltner durchgeführt. Die Mauer wurde an der Ostseite der Stadt auf einer Gesamtlänge von ca. 350 Meter freigelegt, wobei mehrere Tore bzw. Durchlässe festgestellt wurden. Weder am nördlichen noch am südlichen Ende der Stadtmauer konnte ein Mauereck festgestellt werden, weshalb bis heute unklar ist, ob die gesamte Stadt von einer Mauer umgeben war. Ebenso umstritten blieb in der älteren Forschung die Datierung der Stadtmauer. Im Zuge der Innsbrucker Grabungen ergab sich an einigen Stellen die Möglichkeit dieser Frage nachzugehen.
So konnten östlich der Stadtmauer Teile zweier Gebäude freigelegt werden, wovon das Südliche in großen Teilen bereits von E. Swoboda erforscht wurde. Von Beginn an auffällig war die parallele Ausrichtung der Gebäude an der Stadtmauer, was insofern bemerkenswert ist, da die Bebauung westlich der Stadtmauer (Atriumhaus) eine abweichende Orientierung aufweist. Wegen der Ausrichtung der Gebäude an der Stadtmauer können diese also erst nach derselben entstanden sein. Aufgrund des hier vorhandenen Fundmaterials liegt der Baubeginn der Gebäude östlich der Stadtmauer am Beginn des 2. Jh. n. Chr. Im Zuge der Grabungen im Atriumhaus konnten Nachuntersuchungen direkt an der Stadtmauer durchgeführt werden. Hervorzuheben ist hier vor allem eine an die Stadtmauer angeschüttete Abfallschicht, die sehr viel Fundmaterial des ausgehenden 1. Jh. n. Chr. enthielt.
Somit konnte in den Innsbrucker Grabungen die in der älteren Forschung geäußerte Vermutung, es handle sich bei der Aguntiner Stadtmauer um einen spätantiken Verteidigungsbau, eindeutig widerlegt werden. In der ersten Phase des Baus, die in eine Zeitspanne ab der Stadtrechtsverleihung unter Kaiser Claudius bis an die Wende des ersten zum 2. Jh. n. Chr. zu datieren ist, befand sich an der Stelle des heute sichtbaren mit zwei Türmen versehenen Stadttores lediglich ein einfacher 3,5 Meter breiter Durchlass. Erst in einer zweiten Bauphase wurde das 9,5 Meter breite Tor errichtet. Einen Hinweis zur Datierung dieses Umbaus liefern wiederum die östlich der Stadtmauer liegenden Gebäude. Das späteste Fundmaterial aus diesen gehört ans Ende des 2. Jh. n. Chr., womit eine darüber hinausgehende Nutzung der Gebäude unwahrscheinlich ist. Es scheint in Hinblick auf den Platzbedarf der neu errichteten Toranlage einleuchtend, dass die beiden direkt östlich vor der Stadtmauer gelegenen Gebäude im Zuge des Umbaus aufgegeben wurden. Damit lässt sich für die Neugestaltung der Toranlage eine Datierung spätestens zu Beginn des 3. Jh. n. Chr. vorschlagen.
Mit dieser Baugeschichte verbunden ist die Frage nach dem bislang unerforschten Haupttor der Stadt. Da der südliche Stadtmauerabschnitt auf der gesamten Länge ostseitig durchlaufend untersucht wurde, kommt für die Lage des ursprünglichen Haupttores nur eine Position nördlich der heute sichtbaren Tortürme in Frage. Hier bietet sich vor allem der Kreuzungspunkt der Stadtmauer mit dem Decumanus I sinister an – allerdings blieben geophysikalische Untersuchungen an dieser Stelle bislang ohne eindeutiges Ergebnis.
E. Swoboda, Aguntum. Ausgrabungen bei Lienz in Osttirol. 1931-33. ÖJh 29, 1935, 5-102.
F. Miltner, Aguntum. Vorläufiger Bericht über die Ausgrabungen 1950-1952, ÖJh.40, 1953, Beiblatt, 93-156.
V. Gassner, Zur Funktion und Datierung der Stadtmauer von Aguntum, Römisches Österreich 13/14, 1985-86, 77-100.
M. Auer, Municipium Claudium Aguntum - Zur Datierungsfrage der Stadtmauer, ÖJh.77, 2008, 7-38.
Atriumhaus

Die Erforschung des Atriumhauses begann bereits unter F. Miltner und wurde von W. Alzinger fortgesetzt. Ab 1994 wurden die Ausgrabungen durch das Institut für Archäologien der Universität Innsbruck kontinuierlich weitergeführt. Im Wesentlichen lassen sich drei Baukomplexe feststellen. Im Westen und Süden befindet sich der Nutzgarten, im Zentrum das eigentliche Atriumhaus und im Osten desselben ein repräsentativer Bautrakt, der in der älteren Forschung als Privattherme angesprochen wurde. Das namensgebende Atrium bildet den zentralen Raum des Gebäudes und ist charakterisiert durch ein Wasserbecken (Impluvium), das Regenwasser über eine Öffnung im Dach (Compluvium) auffängt. Das Wasser wird nach Süden abgeleitet und gelangt so in ein mit Marmor ausgekleidetes Becken im Gartenperistyl.

Erbaut wurde das Atriumhaus nach Ausweis des Fundmaterials bereits um die Mitte des 1. Jh. n. Chr. Danach folgten verschiedene Umbauten und Anpassungen, die nötig waren um diesen für ein mediterranes Klima entworfenen Bautyp an die südalpinen Witterungsverhältnisse anzupassen. So mussten Heizanlagen eingebaut und Räume verkleinert werden, um eine Nutzbarkeit des Gebäudes auch in den Wintermonaten zu gewährleisten. Die Befeuerung der Heizanlagen erfolgte vom südlich und westlich gelegenen Nutzgarten aus. Östlich des eigentlichen Atriumhauses ist ein weiteres Gebäude angebaut, das in seiner heute sichtbaren Struktur im 2. Jh. n. Chr. über älteren Gebäuderesten errichtet wurde. Hauptmerkmal dieses sogenannten Osttraktes sind große, beheizte Räume die zwar reichlich Wandmalerei enthielten, jedoch keinerlei Einrichtungen zur Wasserführung aufwiesen, womit die Deutung als Privattherme widerlegt ist. Vielmehr handelt es sich hier um einen repräsentativen Bautrakt, der mit einigen Umbauten bis in die Spätantike in Verwendung blieb.
F. Miltner, Aguntum. Vorläufiger Bericht über die Ausgrabungen 1950 -1952, ÖJh 40, 1953, suppl. 93-156.
F. Miltner, Aguntum. Vorläufiger Bericht über die Grabungen in den Jahren 1953 und 1954, ÖJh 42, 1955, suppl. 71-96.
W. Alzinger, Aguntum. Vorläufiger Bericht über die Grabungen in den Jahren 1955 bis 1957, ÖJh.44, 1959 suppl. 75-140.
L. Gomig (Hrsg.), Aguntum. Museum und archäologischer Park (Dölsach 2007).
M. Tschurtschenthaler, Municipium Claudium Aguntum: römischer Wohnluxus in den Alpen, in: L. Dal Ri / St. di Stefano (Hrsg.), Littamum – Una mansio nel Noricum / Eine Mansio in Noricum, BAR Intern. Series 1462 (Oxford 2005), 106-126.
Macellum
Das Macellum diente vorwiegend als Markt für Fleisch, Fisch, Austern und sonstige Delikatessen aus Nah und Fern. Derartige Delikatessenmärkte waren im bestens vernetzten Wirtschaftsraum des Römischen Reiches weit verbreitet. Meistens besaßen sie einen rechteckigen Grundriss, besonders im Vorderen Orient und in Nordafrika waren sie teilweise auch runder Grundform. Im europäischen Teil des Römischen Reiches stellen gut erhaltene Rundmacella beim derzeitigen Forschungsstand eine absolute Ausnahme dar. Die wichtigsten Beispiele finden sich in Italien (Aquileia [Venetien], Alba Fucens [Abruzzen], Herdonia [Apulien], Saepinum [Molise], Aeclanum [Kampanien], Corfinium [Abruzzen]). Ihre Errichtungszeit wird in die 1. Hälfte des 2. Jhs. n. Chr. gesetzt. Nach Ausweis der Kleinfunde dürfte auch das Macellum von Aguntum während dieser Zeitspanne erbaut worden sein.

Der Grundriss des Macellums von Aguntum gehorcht einer ausgeklügelten architektonischen Konzeption, die mit größter Sorgfalt baulich umgesetzt wurde. In ein Quadrat von etwa 18,5 m Seitenlänge (Außenmaß) war ein kreisrunder Innenraum mit einem (inneren) Durchmesser von ca. 17 m eingeschrieben. Den innersten Kern des Gebäudes bildete ein Zehneck mit einer Seitenlänge von ungefähr drei Metern und einem Durchmesser von circa zehn Metern. Der Bereich zwischen Kreis und Zehneck war durch acht radiale, auf den Mittelpunkt des Kreises und des Zehnecks hin orientierte Mauern, und zwei rechtwinklige Mauern in neun gleich große Segmente und den Haupteingang im Süden untergliedert.
Über den korridorartigen Haupteingang gelangten die Händler und Kunden vom so genannten Decumanus Maximus in den zentralen zehneckigen Innenraum. An diesen grenzten acht Verkaufslokale von etwa 14 m² Grundfläche. Im neunten, gleich großen Raum gegenüber des Eingangs könnte sich nach Ausweis anderer Beispiele ein kleines Sacellum bzw. Heiligtum einer unbekannten Gottheit (Merkur?) befunden haben. Neben den Zugängen zu den Geschäftslokalen sind trotz des Fehlens geringster Spuren Verkaufstische anzunehmen, über die die eigentlichen Kaufhandlungen gelaufen sind. Der den Kunden vorbehaltene Bereich (Eingang, Zehneck) verfügte über einen teilweise erhaltenen Plattenboden aus Marmor, Gneis und Glimmerschiefer. Die Geschäfte, die im Regelfall nur vom Händler betreten wurden, waren hingegen nur mit einfachen Mörtelestrichen samt Rollierung ausgestattet. Im Süden war dem Macellum ein gedeckter Laubengang vorgelagert, im Norden erstreckte sich zwischen dem Macellum und dem so genannten Prunkbau ein etwa 1000 m² großer freier Platz bisher unbekannter Funktion.
L. Gomig (Hrsg.), Municipium Claudium Aguntum. Das Stadtzentrum (Dölsach 2016).
M. Auer, Municipium Claudium Aguntum. Excavations in the city centre (2006-2015), in: M. Janežič / B. Nadbath / T. Mulh / I. Žižek (Eds.), New Discoveries between the Alps and the Black Sea. Results from Roman Sites in the period between 2005 and 2015. Proceedings of the 1st International Archaeological Conference, Ptuj. 8th and 9th October 2015. In memoriam Iva Mikl Curk (Ljubljana 2018), 93–113.
Forum

Das Forum wird seit 2010 östlich des Macellums freigelegt. Wegen seiner Größe von etwa 3000 m² werden diese Arbeiten noch einige Jahre in Anspruch nehmen. Das Forum besteht aus einem zentralen geschotterten Platz von 32 m mal 35 m und einem ihn an allen vier Seiten umgebenden, etwa 3 m breiten Umgang. Im Süden und Osten grenzen an die gedeckten Umgänge annähernd symmetrische Raumfluchten aus jeweils 6 bis 7 kleineren Räumen mit etwa 15 m² Grundfläche an. Eine ähnliche Struktur lässt sich auch im noch nicht vollständig erforschten Westflügel feststellen, wobei hier durch spätere Umbaumaßnahmen größere Raumeinheiten geschaffen wurden. Annähernd in der Mitte der Raumfluchten liegen im Süden ein etwa 75m² und im Osten ein circa 45 m² großer Raum. Im Westflügel befand sich während der ersten Bauphase kein entsprechend über die Flucht der Außenmauern hinausragender Raum. Erst mit dem im 2. Jh. n. Chr. stattfindenden Umbau werden hier zwei nebeneinander liegende, vergrößerte Räume geschaffen an die jeweils ein kleiner, hypokaustierter Raum angebaut ist.

Die kleinen Räume verfügten über einfache Lehmböden und weiß verputzte Wände. Die großen Mittelräume der ersten Phase waren aufwändiger gestaltet (Mörtelböden, Wandmalerei). Mit wenigen Ausnahme wurden die Räume durch kleine Nischenöfen beheizt. Die Räume konnten direkt von den Umgängen her betreten werden, einzig der vergößerte Raum im Osten war nur über die beiden Nachbarräume zu erreichen.
Der Nordflügel wird von einem etwa 230 m² großen Raum im Nordosten dominiert. Daran grenzen im Westen ein L-förmiger Raum und ein weiterer großer Raum etwas westlich der Mitte des Nordtrakts an. Der Raum im Nordosten war mit einer Grundfläche von 23 m x 10 m der größte Raum des Forums. Er durchlief im Gegensatz zur Anlage im Süden eine sehr bewegte Geschichte. Schon vor der Errichtung seiner Außenmauern wurden wohl im Zusammenhang mit dem Bau des Südteils des Forums hier mehrere einfache Terrassierungsmäuerchen und Wassergräbchen angelegt. In einer zweiten Phase wurde der Raum in seiner heutigen Form errichtet. Er konnte vom Decumanus I Sinister über einen 3,90 m breiten Zugang betreten werden. In unmittelbarer Umgebung dieses Eingangs und entlang der Nordmauer wurden 2015 im Rauminneren drei, etwa einer Linie angelegte Kindergräber entdeckt . Im 2. Jh. n. Chr. ist die Nordmauer des Raumes eingestürzt und durch eine neue, deutlich höher fundamentierte Mauer ersetzt worden. Der Zugang zum Decumanus I Sinister wurde aufgegeben und von einer Tür im Osten des Raumes abgelöst. In die Zeit nach dem Brand des 3. Jhs. n. Chr. ist ein großer, nur fragmentarisch erhaltener Ofen wohl zur Metallverarbeitung zu setzen.
Westlich des großen Raumes liegt ein gangartigen Raum in dem bei den Grabungen der letzten Jahre zahlreiche Bergkristalle entdeckt wurden. Etwa in der Mitte des Nordtraktes des Forums befand sich der etwa 45 m² große, ursprünglich repräsentative Raum R 289. In der zweiten Phase ist er als Lagerraum benützt worden. Soweit das Rauminventar nicht verbrannt war, konnte es bei der Ausgrabung in bislang in Aguntum nicht gekannter Vollständigkeit geborgen werden. Verblüfft hat auch die Heterogenität des erhaltenen Materials. Gefunden wurden Gefäße aus Keramik, Bronze und Glas ebenso wie Bronzehenkel von Holzkästchen, Spielsteine, Steingewichte, Bergkristalle und diverse Schmuckgegenstände. Besonders hervorzuheben sind Kügelchen zur Herstellung blauer Farbe (Ägyptisch Blau) sowie Bimssteine zum Glätten von Holz und anderen Materialien. In der Nähe der Nordwand lagen acht Nabenringe aus Eisen und weitere Bestandteile eines Wagens aus Bronze. Im Westen des Raums fanden sich mehrere Eisenringe zweier fass-ähnlicher Gefäße. Eines der Fässer war mit Gerste, gefüllt, die beim Brand des Forums verkohlt ist.
Funde aus diversen Tiefschnitten bzw. Bauhorizonten der ersten Phase sprechen für eine Errichtung des Forums um die Mitte des 1. Jhs. n. Chr. Im 3. Jh. n. Chr. dürfte das Forum einem Brand zum Opfer gefallen sein. Danach wurden große Teile des Gebäudes aufgegeben. Spätantike Nutzungen können bislang im südwestlichen Eingangsbereich, am zentralen Platz wie auch im Norden der Anlage festgestellt werden.
L. Gomig (Hrsg.), Municipium Claudium Aguntum. Das Stadtzentrum (Dölsach 2016).
M. Auer, Municipium Claudium Aguntum. Excavations in the city centre (2006-2015), in: M. Janežič / B. Nadbath / T. Mulh / I. Žižek (Eds.), New Discoveries between the Alps and the Black Sea. Results from Roman Sites in the period between 2005 and 2015. Proceedings of the 1st International Archaeological Conference, Ptuj. 8th and 9th October 2015. In memoriam Iva Mikl Curk (Ljubljana 2018), 93–113.
M. Auer / H. Stadler (Hrsg.), Von Aguntum zum Alkuser See. Zur römischen Geschichte der Siedlungskammer Osttirol, Ager Aguntinus. Historisch-archäologische Forschungen 1 (Wiesbaden 2018).
Handwerkerviertel

Die als „Handwerker- und Wohnviertel“ bezeichneten Bereiche der antiken Stadt wurden zum größten Teil von den 1960er bis 1980 er Jahren ausgegraben. Die einzelnen Gebäude sind heute nach mehrmaliger Restaurierung nicht mehr eindeutig im Gelände zu erkennen. Es dürfte sich bei einem Großteil der Strukturen um einfache Wohnbauten handeln, die meist aus einem offenen Hof kombiniert mit einem oder mehreren überdachten Räumen im Erdgeschoß bestanden. Im Zuge der Neugestaltung des Archäologieparks erfolgt auch eine Neubewertung dieser Grabungen. Derzeit läuft die Auswertung der Nachgrabungen in Insula C des Handwerkerviertels im Rahmen einer Masterarbeit.
G. Langmann, Bericht über die Grabungskampagnen 1958 und 1959 in Aguntum, Osttirol, Jahreshefte des Österreichischen Archäologischen Instituts 49, 1968/71,143–176.
G. Luger, Der Raumkomplex ›Weggrabung Nord‹ von Aguntum und die in diesem Bereich gefundene grobtonige Keramik (unveröffentl. Dissertation Universität Wien 1989).
Therme

Die Therme von Aguntum wurde in den 1960er und 1970er Jahren archäologisch erforscht. Dabei konnten mehrere Bauphasen festgestellt werden, die allerdings nie im Detail publiziert wurden. Die umfangreichste Zusammenstellung des Befundes findet sich in der Dissertation von Silvia Schoitsch. Aus dieser Publikation ist ablesbar, dass erste wohl aus tiberisch-claudischer Zeit stammende Thermenanlage gute Vergleiche am Magdalensberg, aber auch in Herculaneum und Pompeji findet. Die nachfolgenden Umbauten führen zu einer Neustrukturierung der Anlage in Form des kaiserzeitlichen Reihentypus. Die exakte Abfolge der Bauphasen lässt sich aus der Literatur derzeit nicht erschließen, was eine Neubewertung dieser „Altgrabung“ umso dringender macht. Erste Schritte zu einer solchen wurden im Rahmen einer Lehrveranstaltung zum Thema "Auswertung von Altgrabungen - Möglichkeiten und Grenzen"
gesetzt. Anhand der Originaldokumentation (Tagebücher und
Pläne) die vom ÖAI in Wien zur Verfügung gestellt wurden, konnten einige Detailfragen zur Bauabfolge der Therme geklärt werden.
S. Schoitsch, Kleinfunde aus der Therme Aguntums (unveröffentl. Dissertation, Wien 1976).
M. Auer / M. Tschurtschenthaler , Municipium Claudium Aguntum – Die frühen Befunde, in: U. Lohner-Urban / P. Scherrer (Hrsg.), Der obere Donauraum 50 v. bis 50 n. Chr., Region im Umbruch Band 10 (Berlin 2015), 337-349.
Vorstadt

Die von Erich Sowboda in den 1930er Jahren ausgegrabenen Gebäude der Vorstadt bedürfen ebenso wie das Handwerkerviertel und die Therme einer gründlichen Neubewertung. Das Fundmaterial aus Swobodas Grabungen wird heute in Schloss Bruck aufbewahrt, Unterlagen zum Befund sind derzeit leider nicht mehr auffindbar. Fest steht, dass auch der Bereich östlich der Stadt entlang der Hauptstraßen dicht bebaut war und nach derzeitigem Kenntnisstand bis ca. 200m östlich der Stadtmauer keine Nekropolen anzunehmen sind.
E. Swoboda, Aguntum. Ausgrabungen bei Lienz in Osttirol. 1931-33, Jahreshefte des Österreichischen Archäologischen Instituts 29, 1935, Beiblatt, 5-102.
Municipium Claudium Aguntum in der Spätantike

Während der Spätantike verändert sich das Stadtbild Aguntums wesentlich. Das Forum verliert seine ursprüngliche Funktion als Markt- und Versammlungsplatz. Ähnliches gilt für das Macellum und die Therme. Im Stadtzentrum werden in den ehemaligen öffentlichen Gebäuden einfache Behausungen und Werkstätten eingerichtet, wobei hier oftmals die in der Spätantike im Ostalpenraum verbreitet vorkommenden Y-förmige Schlauchheizungen zu beobachten sind. Dieses Heizsystem wird auch im Osttrakt des Atriumhauses von Aguntum verwendet, hier allerdings für einen großen Saal, dessen materielle Hinterlassenschaft sich auch hinsichtlich der Kleinfunde deutlich von den einfacheren Behausungen im spätantiken Stadtzentrum unterscheidet.
Die Therme scheint noch bis zumindest ins 4. Jh. n. Chr. teilweise in Betrieb gehalten worden zu sein, während das Macellum nach dem Brandereignis des 3. Jh.s n. Chr. aufgegeben wurde. Auch hier lassen sich verschiedene Einbauten feststellen, die eine Nutzung der Brandruine zur Einrichtung einfacher Behausungen anzeigen. In der dem Macellum südlich vorgelagerten Porticus wurde ein Ofen zur Bronzeverarbeitung eingerichtet, wie mehrere Gußtropfen und ein Halbfabrikat einer Riemenzunge belegen. Die Transformation der Stadt während der Spätantike wurde in einem durch den TWF (Tiroler Wissenschaftsfonds) geförderten Forschungsprojekt von Dr. Veronika Sossau thematisert, was in einer ersten systematischen Zusammenstellung aller diesbezüglichen Befunde resultierte.
M. Auer, Municipium Claudium Aguntum. Keramik als Indikator für spätantike Sozialstruktur, RCRF Acta 44, 2016, 453-458.
M. Auer / H. Stadler (Hrsg.), Von Aguntum zum Alkuser See. Zur römischen Geschichte der Siedlungskammer Osttirol, Ager Aguntinus. Historisch-archäologische Forschungen 1 (Wiesbaden 2018).
Frühchristliche Kirche
Im Umfeld der Kirche fanden sich zahlreiche Sarkophag-Gräber, die zu einem großen Teil bereits im 19. Jh. von ansässigen Bauern abtransportiert wurden. Aufgrund dieser Funde führte R. Egger in den Jahren 1912 und 1913 Ausgrabungen durch, die den Nachweis einer frühchristlichen Kirche über einem kaiserzeitlichen Vorgängerbau erbrachte. Die Grabung musste bereits 1913 wieder zugeschüttet werden und bislang war keine erneute Untersuchung dieser Stelle möglich. Aufgrund des Nachweises einer Kirche, die von zahlreichen Sarkophagen umgeben war, interpretiert Egger diesen Bau als "Friedhofskirche".
A.B. Mayer / A. Unterforcher, Die Römerstadt Agunt bei Lienz in Tirol. Eine Vorarbeit zu ihrer Ausgrabung (1908).
R. Egger, Ausgrabungen in Noricum 1912/13, Jahreshefte des Österreichischen Archäologischen Instituts 17, 1914, Beiblatt, 5-16.
M. Auer / H. Stadler (Hrsg.), Von Aguntum zum Alkuser See. Zur römischen Geschichte der Siedlungskammer Osttirol, Ager Aguntinus. Historisch-archäologische Forschungen 1 (Wiesbaden 2018).
Die "Bischofskirche" von Lavant

Der Kirchenbau wurde in den 1950er Jahren durch Franz Miltner freigelegt. Innerhalb weniger Arbeitswochen gelang es ihm die Grundstruktur des gesamten Komplexes zu ergraben. Dementsprechend ist die Dokumentation aus heutiger Sicht lückenhaft und es bleiben einige Fragen zur Baugeschichte offen. Fest steht, dass die Kirche über einer Planierschicht errichtet wurde, die Fundmaterial aus dem 3. Jh. n. Chr. enthält. Der Bau besteht aus zwei Teilen: der "Gemeindekirche", von Miltner als "Bischofskirche" interpretiert und einer später in östlicher Verlängerung angebauten Memorialkirche, die die Gebeine des hier verehrten Märtyrers aufgenommen hat. Der Reliquienschrein der Memorialkirche ist gut erhalten und, obwohl von Miltner ursprünglich als Baptisterium interpretiert, heute sicher als solcher anzusprechen. Im gegenüberliegenden, westlichen Teil der Bischofskirche befindet sich hinter dem Narthex das eigentliche Baptisterium. Die Mehrphasigkeit des Kirchenbaus ist unbestritten, allerdings sind derzeit noch einige Fragen bezüglich der genauen Bauabfolge offen. Antworten auf diese Forschungsfragen werden in den seit 2017 laufenden Grabungen des FB Aguntum in Kooperation mit dem Bundesdenkmalamt und dem Land Tirol gesucht.
F. Miltner, Die Ausgrabungen in Lavant/Osttirol. Zweiter vorläufiger Bericht, Jahreshefte des Österreichischen Archäologischen Instituts 40, 1953, Beiblatt, 15-92.
F. Miltner, Die Grabungen auf dem Kirchbichl von Lavant/Osttirol. Dritter vorläufiger Bericht, Jahreshefte des Österreichischen Archäologischen Instituts 41, 1954, Beiblatt, 43-84.
F. Miltner, Die Grabungen auf dem Kirchbichl von Lavant/Osttirol. Vierter vorläufiger Bericht, Jahreshefte des Österreichischen Archäologischen Instituts 43, 1956-58, Beiblatt, 89-124.